PRESSOSTATI

Nelle applicazioni industriali ed automotive si richiede frequentemente che il raggiungimento di un valore di pressione, precedentemente impostato, venga trasformato in un segnale elettrico, utilizzato per dare inizio al ciclo macchina oppure per segnalare una determinata situazione (es. perdite nell’impianto, allarmi, etc.). Queste operazioni sono generalmente gestite da componenti, tarati in funzione dell’applicazione, che prendono il nome di PRESSOSTATI.
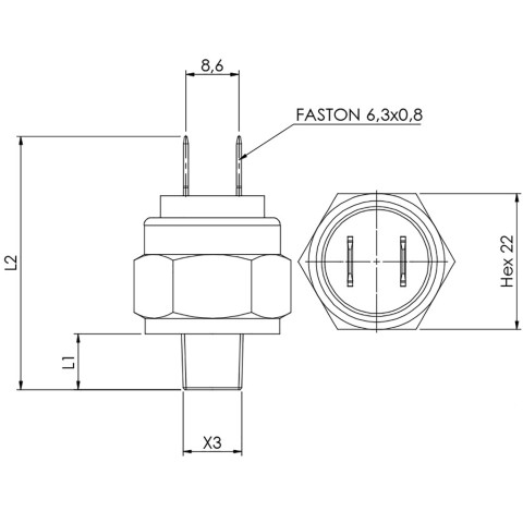
26 - 266 Pressostato a taratura fissa
VS
Confronta questo prodotto con altri Sensori di pressione
26 - 266 Pressostato a taratura fissa
Elemento sensibile
Membrana
Campo di regolazione
1 - 6 bar
Tipologia contatti
N.O.
Portata contatti
2 A / 24 V
Connessione elettrica
Faston 6,3x0,8 / Spinotti d.4


PRODOTTI CORRELATI
SENSORI DI LIVELLO

Progettiamo e produciamo sensori di livello con segnale on/off, SPDT e con segnale in continuo. Sensori di livello a galleggiante, elettromagnetici, elettromeccanici, resistivi, analogici. Applicazioni per settore oleodinamico, alimentare-vending, elettrodomestico, medicale, automotive, ferroviario etc.

CONTINUA
SENSORI DI TEMPERATURA

Progettiamo e produciamo termostati unipolari a disco bimetallico con contatti ad apertura rapida, allestiti in varie configurazioni. Sonde e sensori di temperatura con segnale in continuo personalizzati su richiesta del cliente. Gli impieghi principali sono per il controllo della temperatura nei settori dell’oleodinamica, radiatori, scambiatori di calore, lubrificazione, automotive, refrigerazione, riscaldamento, macchine da caffè, distributori automatici di bevande, elettrodomestici, etc.

CONTINUA
News & Eventi

09/04/2026

Nuovi codici colore per i sensori di pressione elettronici ESP

CONTINUA
Rassegna stampa

04/05/2026

Nuovo livellostato capacitivo da Euroswitch

CONTINUA
Sfoglia online e scarica i pdf dei nostri cataloghi
DOWNLOAD