PLASTICI ELETTROMAGNETICI
I sensori di livello elettromagnetici sfruttano la forza del magnete contenuto nel galleggiante per cambiare la condizione elettrica di un contatto reed.
 
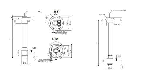
SPB-SPA Sensore riserva elettromagnetico
VS
Confronta questo prodotto con altri Sensori di livello
SPB-SPA Sensore riserva elettromagnetico
Impiego
Gasolio benzina olio acqua
Fissaggio
SPB B1 Flangia 6 fori B2 Flangia 5 fori SPA Flangia 1"Gas
Segnali in uscita
N.C. - N.O.


PRODOTTI CORRELATI
SENSORI DI PRESSIONE

Generalmente i Pressostati vengono impiegati nelle applicazioni industriali ed automotive, laddove si richiede che il raggiungimento di un dato valore di pressione si traduca in un segnale elettrico. Segnale utilizzato come input o come alert.

CONTINUA
SENSORI DI TEMPERATURA

Progettiamo e produciamo termostati unipolari a disco bimetallico con contatti ad apertura rapida, allestiti in varie configurazioni. Sonde e sensori di temperatura con segnale in continuo personalizzati su richiesta del cliente. Gli impieghi principali sono per il controllo della temperatura nei settori dell’oleodinamica, radiatori, scambiatori di calore, lubrificazione, automotive, refrigerazione, riscaldamento, macchine da caffè, distributori automatici di bevande, elettrodomestici, etc.

CONTINUA
News & Eventi

27/10/2025

PTC Asia 2025: Euroswitch riconferma la sua presenza a Shanghai

CONTINUA
Rassegna stampa

14/10/2025

Euroswitch in fiera a MUMBAI

CONTINUA
Sfoglia online e scarica i pdf dei nostri cataloghi
DOWNLOAD